diese Seite drucken

Technische Daten

Luftlager mit Notlauf-Eigenschaften

Die Lagerabmessungen und Leistungsdaten sowie die Anschlußmaße sind aus den nachfolgenden Tabellen zu entnehmen.

1-Düsen Luftlager Serie 920.12.000

Tragfähigkeit L [kg]

Luftspalt s [µm]

Luftdurchsatz V [l/min]
 

Alle Ausführungen sind auf der Laufseite mit einem Spezialkunststoff versehen, der als Notlaufeigenschaft bei einem Luftausfall dient. Nach einem Luftausfall, würde nur das Lager - welches ausgetauscht werden kann - beschädigt, nicht aber die Lauffläche.

 

Tabelle 1
1-Düsenlager

Angaben in mm

bei 5,5 bar

passende 
Einstell-
schraube

passende
Kontermutter

Lager Nr.

Ø D

Ø d

A

B

C

H

L

V

s

 

 

920.12.115

115

10

35

15

9

32,4

285

~0,7

~6,5

920.30.002

920.30.002-01

920.12.100

100

10

35

10

9

32,4

215

~0,5

~5

920.12.090

90

10

30

10

9

27,4

174

~0,47

~6

920.12.080

80

10

30

10

9

27,4

138

~0,46

~6,5

920.12.075

75

10

30

5

9

27,4

121

~0,43

~6,5

920.12.070

70

10

30

5

9

27,4

105

~0,43

~6,5

920.12.060

60

8

25

5

8,5

23

77

~0,26

~5,5

920.30.001

920.30.001-01

920.12.050

50

8

25

5

8,5

23

53

~0,26

~6

920.12.040

40

8

25

5

8,5

23

34

~0,24

~6

Tabelle 2:    1-Düsenlager 920.12.000-3

1-Düsen Luftlager Serie 920.12.000

Tragfähigkeit L [kg]

Luftspalt s [µm]

Luftdurchsatz V [l/min]
 

Tabelle 2
1-Düsenlager

Angaben in mm

bei 5,5 bar

passende 
Einstell-
schraube

passende
Kontermutter

Lager Nr.

Ø D

Ø d

A

B

C

H

L

V

s

 

 

920.12.050-3

50

8

16

3

8,5

22,3

53

~0,26

~6

920.30.009

920.30.010

920.12.040-3

40

8

16

3

8,5

22,3

34

~0,24

~6

920.12.030-3

30

8

12

1,5

7,0

18,3

19

~0,24

~6

Tabelle 3:    3-Düsenlager 920.10.000

luftlager3_neu

Tragfähigkeit L [kg]

Luftspalt s [µm]

Luftdurchsatz V [l/min]

*7/8" = 22,225mm
 

Tabelle 3
3-Düsenlager

Angaben in mm

 

passende 
Einstell-
schraube

passende
Kontermutter

Lager Nr.

Ø D

Ø d

A

B

C

H

L

V

s

 

 

920.10.125

125

*7/8"

39,1

20,8

13,5

56,3

404

~1,8

~5

261.31.009

261.31.011

920.10.115

115

*7/8"

39,1

20,8

13,5

56,3

341

~1,5

~5

920.10.100

100

*7/8"

35

20,8

9,4

52,2

258

~1,4

~5

920.10.090

90

*7/8"

26,4

3,8

13,5

43,6

209

~1,2

~5

920.10.080

80

*7/8"

26,4

3,8

13,5

43,6

165

~1,0

~5

920.10.075

75

*7/8"

26,4

3,8

13,5

43,6

145

~0,9

~5

920.10.070

70

*7/8"

26,4

3,8

13,5

43,6

126

~0,8

~5

920.10.060

60

*7/8"

22,9

3,8

10

40,1

93

~0,6

~4,5

920.10.050-2

50

14

16

2

7

26

64

~0,4

~4

920.30.014

920.30.013

Tabelle 4:    6-Düsenlager 920.13.000

6-Düsen Luftlager Serie 920.13.000

Tragfähigkeit L [kg]

Luftspalt s [µm]

Luftdurchsatz V [l/min]
 

Tabelle 4
6-Düsenlager

Angaben in mm

bei 5,5 bar

 

 

Lager Nr.

Ø D

Ø d

A

B

C

H

L

V

s

920.30.009

920.30.010

920.13.080

80

10

21

4

8,4

7,4

140

~1

~6,5

920.13.055

55

10

19

4

8,4

7,4

65

~0,8

~6

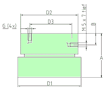
Tabelle 5:    3-Düsenlager mit Spielausgleich 920.20.000

3-Düsen Luftlager mit Spielausgleich Serie 920.20.000

Tragfähigkeit L [kg]

Luftspalt s [µm]

Luftdurchsatz V [l/min]
 

Tabelle 5
3-Düsenlager,
Spielausgleich

Angaben in mm

bei 5,5 bar

Lager Nr.

Ø D1

Ø D2

Ø D3

A

B

G

L

V

s

920.20.080

80

75

64

60

22,3

M 6

144

~1,1

~6

920.20.075

75

70

60

58,2

18,3

M 5

126

~1,0

~6

920.20.070

70

65

54

56

18,3

M 6

110

~0,9

~6

920.20.060-2

60

55

45

48

13,3

M 5

80

~0,7

~6

920.20.050

50

46

35

39,5+1

12,5

M 4

56

~0,4

~5

920.20.040

40

36

25

39,5+1

12,3

M 4

36

~0,3

~5

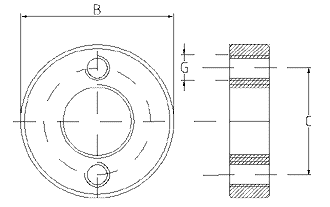
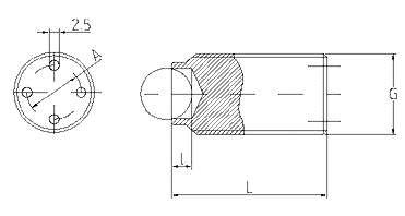
Einstellschrauben und Kontermuttern


Anwendungsspezifische Verbundelemente

 

Einstell-
schraube

L

l

SW

G

Konter-
mutter

SW

920.30.001

35

29

5

M10 x 1

920.30.001-01

17

920.30.002

35

29

6

M12 x 1

920.30.002-01

19

Einstell-
schraube

L

l

A

G

Kontermutter

B

C

G

920.30.014

33

5,3

13

M20 x 1,5

920.30.013

37

27

M 5

261.31.009

42

4

18

M28 x 1,5

261.31.011

50

39

M 6

 

Einstell-
schraube

L

l

SW

G

Kontermutter

SW

920.30.009

39

25

4

M8 x 0,5

920.30.010

13